TwitterLinkedinTelegramTelegram
Gilles MartyGanadero - França16-Dez-2014
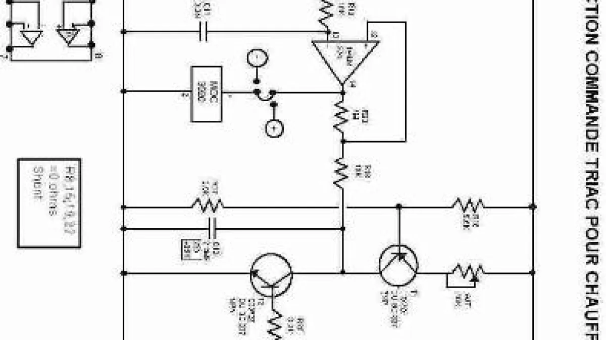
Shéma commande triac
X
XLinkedinWhatsAppTelegramTelegram
gostocomenta
partilhar
Favoritos